5V12V Car Start Delay Switch Board Convenient for Robot Automotive

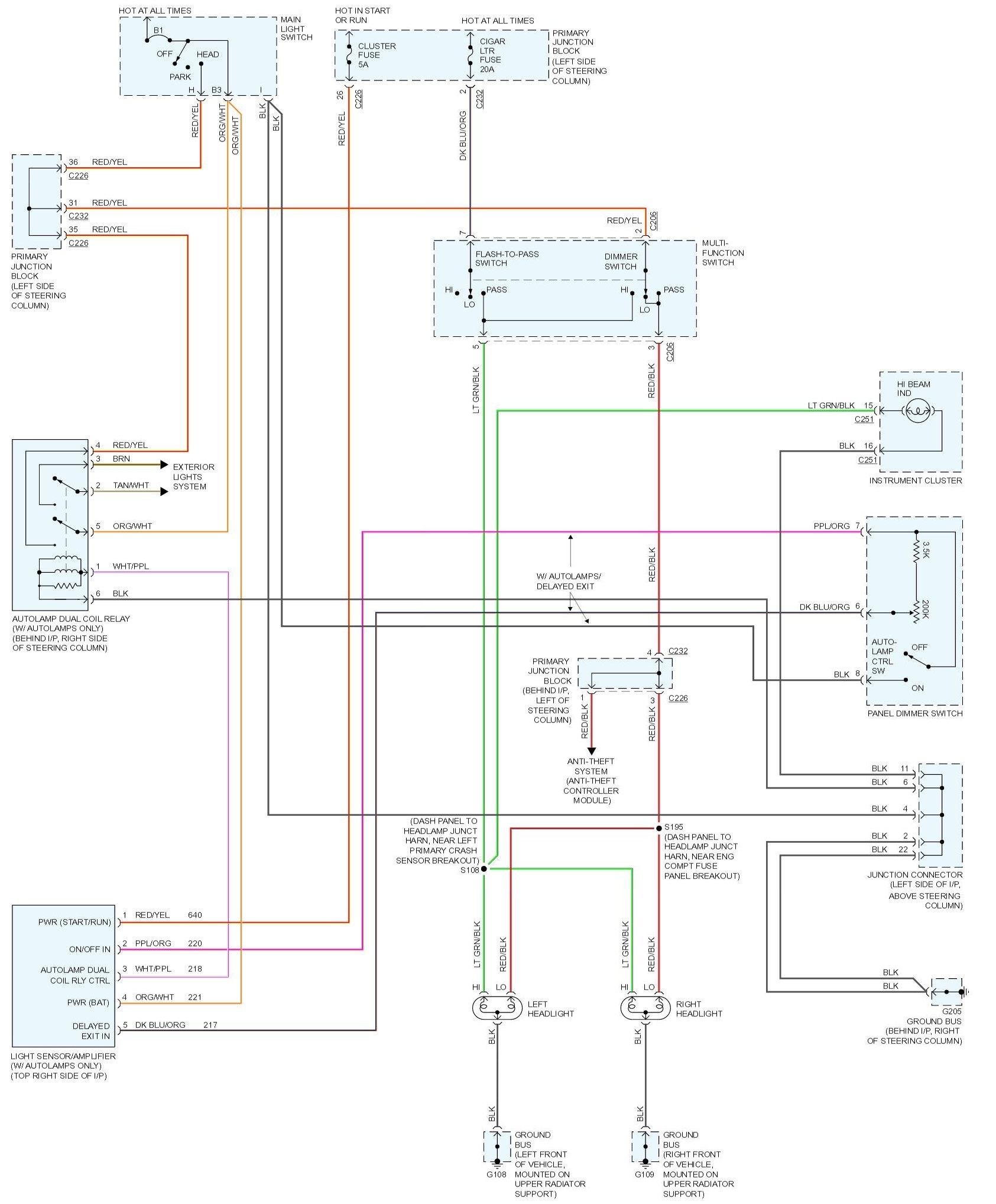
Auto Lamp Delay. Buy LED PIR Motion Sensor Smart Bulb 5W 220V Auto ON OFF Lamp Delay This delay can be adjusted with just a few steps: 1 The autolamp system provides light sensitive automatic on-off control of the exterior lights normally controlled by the headlamp control

Buy DIY Electronic Kit 220v Bulb Lamp Sound Activated
Buy DIY Electronic Kit 220v Bulb Lamp Sound Activated from www.aliexpress.com

To switch headlamp exit delay off, pull the turn signal lever toward you again or switch your vehicle on The preselected time lapse is adjustable up to approximately 3 minutes

Buy DIY Electronic Kit 220v Bulb Lamp Sound Activated

auto lamp delay Jump to Latest 9.8K views 4 replies 5 participants last post by Opee33 Nov 25, 2013 I put the lamp selector in Auto, cover sensor by my hand, and whoa 1-2 sec - the headlight turned automatically This allows the driver to have better visibility when exiting the vehicle in low-light conditions, such as at night or in dark parking areas.

Autolamp delay question Ford F150 Forum Community of Ford Truck Fans. NOTE: Steps 2 through 5 must be carried out within a 10-second period The autolamp system also keeps the lights on for approximately 20 seconds after the ignition switch is turned to OFF

Autolamp / headlights delay setting doesn’t work!. A: Features of Autolamp Delay in Ford vehicles include light sensitivity settings, timer settings, and a daytime running lights feature This delay can be adjusted with just a few steps: 1